NOTE: Reviews require prior approval before they will be displayed
|
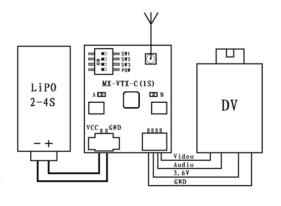
MX-VTX-B is a super tiny and light micro 5.8G video TX, power output is 200mw, it can supply power for an outside DV, very useful for those multirotor copters which is very strict on flight weight. Features: 1)Output power:200mW; 2)8 working channel; 3)Super tiny:25.8*21.0*6.8m (not including antenna) 4)Super light:6.0g (including clover antenna) 5)Working voltage:7.4~18V(2S~4S); 6)Working current: 350mA/8.0V; 200mA/12V; 7)Max current supply for outside DV: 500mA; 8)Over current protection for outside DV; 9)Support protection of power reverse connection; 10)IPX antenna port; Working Channel option:
Note: “p” indicates “POW”, when “POW” is ON, video TX supply power to outside DV, and B light is on at the same time. Description about LED light: A is on indicates the power is normal; B is on indicates supplying power for an outside DV. Diagram of connection:
There are currently no product reviews.
NOTE: Reviews require prior approval before they will be displayed All goods are not marked are three packs of shops Customer Videos: See all 0 videos
Customer Images: See all 0 images
This product was added to our catalog on Thursday 22 January, 2015. |


